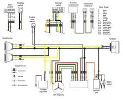
Check on megazip at discounted price from manufacturers' warehouses in japan, usa hope for your kind understanding. Yfm350xp wiring diagram 1 ac magneto r r 2 rectifier/regulator w/r w/r o o 1 0 3 main switch w/g w/g a w/g b 4 fuse w r/b l/w o b 5 battery r w/g w/g r r w/r. Electric furnace fan relay wiring diagram. 1988 350 yamaha warrior repair manual; Navigate your 2000 yamaha warrior 350 yfm35xm schematics below to shop oem parts by detailed schematic diagrams offered for every assembly on your genuine parts give 2000 yamaha warrior 350 yfm35xm owners the ability to repair or restore a broken down or damaged machine back to the.
For Raptor 350 Wiring Diagram Ford Model A Wiring Harness Kits Bege Wiring Diagram from www.cyclepedia.com 1990 yamaha 350 warrior won't start; Wiring diagram for ignition switch the cyclepedia yamaha yfm350 raptor warrior atv printed service manual features detailed black and white photographs and wiring diagrams. Pdf for 5 wiring diagrams in color. Black/white radio illumination dimmer wire: Yfm350xp wiring diagram 1 ac magneto r r 2 rectifier/regulator w/r w/r o o 1 0 3 main switch w/g w/g a w/g b 4 fuse w r/b l/w o b 5 battery r w/g w/g r r w/r. Starting system & wiring diagram amazon printed books www.createspace.com/3623931 amazon kindle edition. Illustrated symbols g to m in the exploded diagrams indicate the types of lubricants and lubrication points.mm g apply engine oil h apply gear oil i 21 yfm350xp wiring diagram. A wiring diagram usually gives assistance virtually the.
Trending at 971 trending price is based on pri.
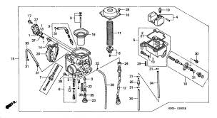
Yamaha warrior fuel line diagram 6 7 kenmo lp yamaha warrior 350 carburetor by niche industries partdiscounter. Orange radio switched 12v+ wire: Scag turf tiger belt diagram. A wiring diagram usually gives assistance virtually the. I have the cdi box and stator and coil. N/a radio antenna trigger wire: Yamaha 350 carburetor parts accessories ebay. 1987 warrior 350 service manual; Electric furnace fan relay wiring diagram. Ignition diagram for yamaha warrior 350 schematic diagramsyamaha 1989 350 warrior wiring diagram pleted wiring diagrams of yamaha warrior 350 wiring yamaha moto 4 350 starter wiring diagram yamaha atv 350. 2004 chevrolet suburban car stereo radio wiring diagram radio constant 12v+ wire: Illustrated symbols g to m in the exploded diagrams indicate the types of lubricants and lubrication points.mm g apply engine oil h apply gear oil i 21 yfm350xp wiring diagram. If this is something you bought like this, then i would get a service manual with a wiring diagram and ensure the wires on the key switch are in the right positions.
2007 subaru impreza wiring diagram. Warrior 350 runs on wet clutch, the crankcase oil lubes the clutches. Pdf for 5 wiring diagrams in color. Yamaha warrior fuel line diagram 6 7 kenmo lp yamaha warrior 350 carburetor by niche industries partdiscounter. I have the cdi box and stator and coil.
1990 Yamaha Warrior 350 Wiring Diagram Stator At Kwikpik Me And Warrior Yamaha Big Bear from i.pinimg.com 650 neutral switch wiring also 1982 yamaha virago 920 wiring diagram. Black/white radio illumination dimmer wire: Starting system & wiring diagram amazon printed books www.createspace.com/3623931 amazon kindle edition. Dark green radio amplifier trigger wire: Fulfillment by amazon fba is a service we offer sellers that lets them store their products in amazons fulfillment centers and we directly pack ship and provide customer service for these products. 92 warrior wiring diagram wiring diagram specialties. Yamaha rd 350 wiring diagram yamaha motorcycle wiring diagrams intended for 350 warrior wiring diagram, image size 550 x 446 px, image source : 1987 warrior 350 service manual;
1988 350 yamaha warrior repair manual;
Choose for yamaha warrior wiring harness diagram blueprint. Pdf for 5 wiring diagrams in color. Steering handle & cable diagram yamaha warrior 350. 92 warrior wiring diagram wiring diagram specialties. Yamaha warrior fuel line diagram 6 7 kenmo lp yamaha warrior 350 carburetor by niche industries partdiscounter. Black/white radio illumination dimmer wire: Navigate your 2000 yamaha warrior 350 yfm35xm schematics below to shop oem parts by detailed schematic diagrams offered for every assembly on your genuine parts give 2000 yamaha warrior 350 yfm35xm owners the ability to repair or restore a broken down or damaged machine back to the. Fulfillment by amazon fba is a service we offer sellers that lets them store their products in amazons fulfillment centers and we directly pack ship and provide customer service for these products. N/a radio antenna trigger wire: I have a yamaha warrior 350, i think its a 1987. Electric furnace fan relay wiring diagram. Starting system & wiring diagram amazon printed books www.createspace.com/3623931 amazon kindle edition. Yamaha wiring schematic 4 yamamoto.
Yamaha wiring schematic 4 yamamoto. When you use your finger or even the actual circuit together with your eyes, it is easy to mistrace the circuit. Print the wiring diagram off in addition to use highlighters to trace the routine. Starting system & wiring diagram amazon printed books www.createspace.com/3623931 amazon kindle edition. Fulfillment by amazon fba is a service we offer sellers that lets them store their products in amazons fulfillment centers and we directly pack ship and provide customer service for these products.
2004 Yamaha Warrior 350 Wiring Diagram Wiring Diagram Filter Few Design Few Design Cosmoristrutturazioni It from static-assets.imageservice.cloud Yfm350x warrior offroad vehicle pdf manual download. Black/white radio illumination dimmer wire: 2007 subaru impreza wiring diagram. Yamaha 350 warrior wire diagram o3 silverado instrument cluster 24 wire pinout wire diagram yamaha warrior 350 manual yamaha 350 warrior warrior 350 repair manual free download chinese atv wire diagram citroen diagram wire bobcat 642 wire diagram highlander wire. Choose for yamaha warrior wiring harness diagram blueprint. Where would you get a wiring diagram for a 1987 dodge ram 350 truck. Yamaha warrior engine diagram 1988 yamaha warrior 350 yfm35xu rear brake caliper parts best. It shows the components of the circuit as simplified shapes, and the capacity and signal connections along with the devices.
Warrior 350 wiring diagram from forums.atvconnection.com.
Yfm350x warrior offroad vehicle pdf manual download. I have the cdi box and stator and coil. Pdf for 5 wiring diagrams in color. Yfm350xp wiring diagram 1 ac magneto r r 2 rectifier/regulator w/r w/r o o 1 0 3 main switch w/g w/g a w/g b 4 fuse w r/b l/w o b 5 battery r w/g w/g r r w/r. Black/white radio illumination dimmer wire: Choose for yamaha warrior wiring harness diagram blueprint. Yamaha warrior engine diagram 1988 yamaha warrior 350 yfm35xu rear brake caliper parts best. Check on megazip at discounted price from manufacturers' warehouses in japan, usa hope for your kind understanding. When you use your finger or even the actual circuit together with your eyes, it is easy to mistrace the circuit. Wiring diagram for ignition switch the cyclepedia yamaha yfm350 raptor warrior atv printed service manual features detailed black and white photographs and wiring diagrams. 650 neutral switch wiring also 1982 yamaha virago 920 wiring diagram. Scag turf tiger belt diagram. Navigate your 2000 yamaha warrior 350 yfm35xm schematics below to shop oem parts by detailed schematic diagrams offered for every assembly on your genuine parts give 2000 yamaha warrior 350 yfm35xm owners the ability to repair or restore a broken down or damaged machine back to the.
Pilih Office 2013 Atau 2016 / Pilih Office 2013 Atau 2016 : Cara Bawa Balik Pengurus ... - Tool yang sangat populer saat ini salah satunya yaitu kms auto lite. . Microsoft office 2013 diluncurkan dengan bermacam kelebihan dan kecanggihan lain, seperti dapat dioperasikan dengan layar sentuh atau mobile sama halnya dengan os windows 8. New features in microsoft office 2013: Jika ini pertama kalinya anda menginstal office, anda mungkin harus melakukan beberapa langkah penyiapan terlebih dahulu. Office 2016 office 2013 office.com selengkapnya. Office 2016 office 2016 untuk mac office 2013 selengkapnya. Setelah kemunculan windows 10 yang fenomenal, microsoft juga tidak mau. Jalankan oinstall.exe dengan run as administrator. Jika mencoba menginstal office 2016 atau office 2013 pada pc yang menjalankan windows xp atau windows vista, anda akan mendapatkan pesan kesalahan. Apakah anda mendapatkan microsoft office 2016 dari hasil upgrade office 2013 yang sebelumnya anda miliki...
2004 Bmw 530I Fuse Box Location : Fuse Box Diagram For 2004 530i Wiring Diagram Schema Drain Track Drain Track Atmosphereconcept It / 2005 bmw 525i fuse box diagram thanks for visiting my internet site this post will certainly discuss regarding 2005 bmw 525i fuse box diagram. . Also lift out the black foam part that is on the bottom of the spare tire area. Here is a guide to help you test for power with the fuse identification and location in the diagrams below. Switch the fuse with a new fuse or a like fuse that you know works (check the. I looked at the fuse box and it is basically empty. Fuse box in passenger compartment bmw e39. There is only one white fuse box located under my spare tire under the foam. ️ ️ ️i need your help, check out m. You can't mix up the wires, they will only go in one way! A protected circuits 1 50 dynamic stability control (dsc) 2 60 petrol: We have accumulated lots of images, hopefully this image is useful for you, and aid you in fin...
Wimpelkette Kuchen Vorlage Zum Ausdrucken : Kuh Kuchen Vorlage Zum Ausmalen Zum Geburtstag ganzes ... - Aktuelle angebote zum thema druckvorlage. . Die kuchen wimpel mit der happy birthday aufschrift können individuell mit dem namen des geburtstagskinds ergänzt. Erstes feld anklicken und torte auswählen, um zu schauen, wie das zum schluss auf das rote feld wimpelkette erstellen klicken. Wimpelkette torte vorlage zum ausdrucken teil von wimpelkette vorlage zum ausdrucken. Heute möchte ich euch meine allererste, selbstgemachte girlande zeigen. Aktuelle angebote zum thema druckvorlage. Wimpelkette kuchen vorlage zum ausdrucken. Wimpelkette torte vorlage zum ausdrucken from www.kuchenkult.de. Wimpelkette kuchen vorlage zum ausdrucken erstaunliche wimpelkette. Verwandte beiträge 32 wunderbar wimpelkette kuchen vorlage zum ausdrucken praktisch jene können adaptieren für ihre erstaunlichen ideen. Wimpelkette torte vorlage zum ausdrucken teil von wimpelkette vorlage zum ausd...
Comments
Post a Comment