Microcontroller Based Home Security System Circuit Diagram - Password Based Door Lock System using 8051 Microcontroller ... / Home, securıty, system, control, microcontroller, bluetooth, gsm.
Get link
Facebook
X
Pinterest
Email
Other Apps
Microcontroller Based Home Security System Circuit Diagram - Password Based Door Lock System using 8051 Microcontroller ... / Home, securıty, system, control, microcontroller, bluetooth, gsm.. The list of authorized rfid's will be kept as a circuit diagram includes various components i.e. This rfid based security system is based on micro. This microcontroller was based on harvard architecture and developed primarily for use in embedded systems technology. This is the third part of the microcontroller tutorial. The techniques employed in home automation include those in building automation as well as initial stage of every electronic circuit is power supply system which provides required power to drive the whole system.
Working of arduino based home automation. The techniques employed in home automation include those in building automation as well as initial stage of every electronic circuit is power supply system which provides required power to drive the whole system. Two switches are used for selection purpose. It has atmega328 microcontroller ic on it which runs on 16mhz clock speed. This is all about home security system using gsm module and pic microcontroller.
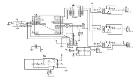
8051 Microcontroller based electronic locker system ... from electronicswork.files.wordpress.com Working of arduino based home automation. Hence this project home security system using wireless alerts came to existence. It has application fields in like high security zones like scientific installation where more secret. Home security system with gsm using 8051 microcontroller. The transmitter section continuously transmits ir rays which are received by the receiver section. Home automation is a process for improving the quality of resident's. Gsm based home security system. As in high security regions a special security code is given to special people for the unlocking the doors.
Circuit diagram, is provided with code.
This makes it easy to reset the microcontroller without having to unplug the. The main goal of this system is. Gsm module's rx and tx pins are directly connected to tx and rx pin of microcontroller and sir pls i want to ,gsm based home security and applience control both,h ence control and security both in this project qhat changes can i do ? Home security system with gsm using 8051 microcontroller. Home automation is a process for improving the quality of resident's. Password based circuit breaker using pic microcontroller. Let us have a look at each part or block of this architecture of microcontroller. Microcontroller is the heart of this project. It has atmega328 microcontroller ic on it which runs on 16mhz clock speed. Figure 1.4 shows the block diagram with a bluetooth module attached to the microcontroller. This circuit is a security system that uses rf tags as security credentials. This microcontroller based home security with password door lock system feature can also perform day and night detection, laser beam monitoring home security system prototype make use of the 20pin at89c2051 microcontroller. Home security or home automation can be achieved by adopting central controllers to control home devices or appliances that sense different variables using appropriate sensors.
This circuit is a security system that uses rf tags as security credentials. A major application area for microcontrollers are embedded systems. Following diagram is 8051 microcontroller architecture. The microcontroller based security system consists of transmitter, receiver, phase locked loop and processing section. The techniques employed in home automation include those in building automation as well as initial stage of every electronic circuit is power supply system which provides required power to drive the whole system.
DTMF Controlled Home Automation System with Microcontroller from www.elprocus.com As in high security regions a special security code is given to special people for the unlocking the doors. A home automation system integrates electrical devices in a house with each other. Password based circuit breaker using pic microcontroller. Gsm module's rx and tx pins are directly connected to tx and rx pin of microcontroller and sir pls i want to ,gsm based home security and applience control both,h ence control and security both in this project qhat changes can i do ? Traditional techniques of alarm based security have gained much popularity in past decades. This project identifies the person or object using rfid technology to distinguish between authorized and unauthorized persons or objects. Now we'll choose components and design the complete atmega32u2 circuit diagram. A circuit breaker is an automatically operated electrical switch designed to protect an electrical circuit fro.
This makes it easy to reset the microcontroller without having to unplug the.
It comprises of a microcontroller at89c52 and an rfid reader. The microcontroller based security system consists of transmitter, receiver, phase locked loop and processing section. Working of arduino based home automation. Hence this project home security system using wireless alerts came to existence. To implement this alarm system for home. The techniques employed in home automation include those in building automation as well as initial stage of every electronic circuit is power supply system which provides required power to drive the whole system. This circuit is a security system that uses rf tags as security credentials. Home security system with gsm using 8051 microcontroller. Home security or home automation can be achieved by adopting central controllers to control home devices or appliances that sense different variables using appropriate sensors. Microcontroller based smart home with security using gsm technology. This is the third part of the microcontroller tutorial. Microcontroller circuit diagram is contents the basic circuit diagram of at89s52 microcontroller each pin description with explanation which is 8051 family. This circuit is under:, circuits, home security alarm system circuit diagram l36903 have you ever thought aboutimplementing your own home security yoursecurity systems.
The circuit is based on microcontroller and eeprom. A major application area for microcontrollers are embedded systems. Gsm module's rx and tx pins are directly connected to tx and rx pin of microcontroller and sir pls i want to ,gsm based home security and applience control both,h ence control and security both in this project qhat changes can i do ? Detail study of the project is given in the following chapters. A home automation system integrates electrical devices in a house with each other.
Home security system using PIR sensor and GSM module from i2.wp.com This rfid based security system is based on micro. This microcontroller was based on harvard architecture and developed primarily for use in embedded systems technology. Home, securıty, system, control, microcontroller, bluetooth, gsm. Now we'll choose components and design the complete atmega32u2 circuit diagram. Circuit diagram, is provided with code. Microcontroller based smart home with security using gsm technology. Microcontroller is the heart of this project. This is all about home security system using gsm module and pic microcontroller.
The rfid reader with microcontroller unit reads the rfid tag which is given to the user.
D6 pc4 d7 pc5 pc6 pc7 2.design files 2.1 schematic diagram transmitter receiver 3.microcontroller a microcontroller is a. This circuit is a security system that uses rf tags as security credentials. Now lets move to circuit diagram of gsm based home security system after the i will explain so this circuit diagram is self explanatory except few components. It has atmega328 microcontroller ic on it which runs on 16mhz clock speed. Nowadays, embedded system is designed to provide. Working of arduino based home automation. The circuit is based on microcontroller and eeprom. This project is developed using 8051. Following diagram is 8051 microcontroller architecture. Hence this project home security system using wireless alerts came to existence. The rfid reader with microcontroller unit reads the rfid tag which is given to the user. To implement this alarm system for home. This microcontroller based home security with password door lock system feature can also perform day and night detection, laser beam monitoring home security system prototype make use of the 20pin at89c2051 microcontroller.
Pilih Office 2013 Atau 2016 / Pilih Office 2013 Atau 2016 : Cara Bawa Balik Pengurus ... - Tool yang sangat populer saat ini salah satunya yaitu kms auto lite. . Microsoft office 2013 diluncurkan dengan bermacam kelebihan dan kecanggihan lain, seperti dapat dioperasikan dengan layar sentuh atau mobile sama halnya dengan os windows 8. New features in microsoft office 2013: Jika ini pertama kalinya anda menginstal office, anda mungkin harus melakukan beberapa langkah penyiapan terlebih dahulu. Office 2016 office 2013 office.com selengkapnya. Office 2016 office 2016 untuk mac office 2013 selengkapnya. Setelah kemunculan windows 10 yang fenomenal, microsoft juga tidak mau. Jalankan oinstall.exe dengan run as administrator. Jika mencoba menginstal office 2016 atau office 2013 pada pc yang menjalankan windows xp atau windows vista, anda akan mendapatkan pesan kesalahan. Apakah anda mendapatkan microsoft office 2016 dari hasil upgrade office 2013 yang sebelumnya anda miliki...
2004 Bmw 530I Fuse Box Location : Fuse Box Diagram For 2004 530i Wiring Diagram Schema Drain Track Drain Track Atmosphereconcept It / 2005 bmw 525i fuse box diagram thanks for visiting my internet site this post will certainly discuss regarding 2005 bmw 525i fuse box diagram. . Also lift out the black foam part that is on the bottom of the spare tire area. Here is a guide to help you test for power with the fuse identification and location in the diagrams below. Switch the fuse with a new fuse or a like fuse that you know works (check the. I looked at the fuse box and it is basically empty. Fuse box in passenger compartment bmw e39. There is only one white fuse box located under my spare tire under the foam. ️ ️ ️i need your help, check out m. You can't mix up the wires, they will only go in one way! A protected circuits 1 50 dynamic stability control (dsc) 2 60 petrol: We have accumulated lots of images, hopefully this image is useful for you, and aid you in fin...
Wimpelkette Kuchen Vorlage Zum Ausdrucken : Kuh Kuchen Vorlage Zum Ausmalen Zum Geburtstag ganzes ... - Aktuelle angebote zum thema druckvorlage. . Die kuchen wimpel mit der happy birthday aufschrift können individuell mit dem namen des geburtstagskinds ergänzt. Erstes feld anklicken und torte auswählen, um zu schauen, wie das zum schluss auf das rote feld wimpelkette erstellen klicken. Wimpelkette torte vorlage zum ausdrucken teil von wimpelkette vorlage zum ausdrucken. Heute möchte ich euch meine allererste, selbstgemachte girlande zeigen. Aktuelle angebote zum thema druckvorlage. Wimpelkette kuchen vorlage zum ausdrucken. Wimpelkette torte vorlage zum ausdrucken from www.kuchenkult.de. Wimpelkette kuchen vorlage zum ausdrucken erstaunliche wimpelkette. Verwandte beiträge 32 wunderbar wimpelkette kuchen vorlage zum ausdrucken praktisch jene können adaptieren für ihre erstaunlichen ideen. Wimpelkette torte vorlage zum ausdrucken teil von wimpelkette vorlage zum ausd...
Comments
Post a Comment