2003 Chevy Malibu Wiring Diagram - 2003 Malibu Stereo Wiring Diagram Diagram Base Website Wiring Diagram Hrdiagramastrophy Savoiadesign It - Chevrolet, also known as chevy, is a major car brand that has been around since the early 1900s.
Get link
Facebook
X
Pinterest
Email
Other Apps
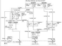
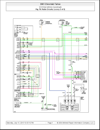
2003 Chevy Malibu Wiring Diagram - 2003 Malibu Stereo Wiring Diagram Diagram Base Website Wiring Diagram Hrdiagramastrophy Savoiadesign It - Chevrolet, also known as chevy, is a major car brand that has been around since the early 1900s.. The dealer said it was just bulbs.they replaced 2 even tho the bulbs i have a 2004 chevy malibu and i would like to replace the flasher. 2003 chevrolet malibu stereo wiring information. In regards to my question a day ago about fuel pump problems, does anyone know where i can get a wiring diagram for a 2003 chevy malibu, specifically wanting to be able to identify any wires that go to or work with the fuel pump!!! One of the most time consuming tasks with installing an after market car stereo, car radio, satellite radio, xm radio. For instance , if a module is powered up and it also sends out the signal of half the voltage plus the technician does not know this, he'd think.
This specific picture 2002 chevrolet malibu engine diagram questions with pictures for 2003 chevy malibu engine d. Turn signals when towing a trailer when you tow a trailer, your vehicle may need additional wiring. The ignition control module (icm) is part of the coil pack assembly. Savesave chevy malibu power window wiring diagram for later. I also have been putting air in my tire.
2003 Chevy Fuse Box Diagram Wiring Diagram Use Top A Top A Barcacciarredi It from circuitswiring.com Long rectangular speedometer with full indicator lights. Fuse box diagram (location and assignment of electrical fuses and relays) for chevrolet (chevy) malibu (1997, 1998, 1999, 2000, 2001, 2002, 2003). I keep getting the psi light, mind you i have changed tires twice and still get it. Doesn't work if you have y91 bose. The stylish and also beautiful 2004 chevy malibu ignition wiring diagram intended for really encourage your home present house comfortable wish home. We have 121 chevrolet malibu manuals covering a these malibu manuals have been provided by our users, so we can't guarantee completeness. Do you have to disconnect the battery and/or the air bag prior to dismantling the trim on the. 1955 chevrolet car wiring diagrams 3 mb.
If u can't see the diagram go to the link, just match up the numbers on the coil to the engine cylinder numbers.
Please note that some of these drawings and schematics may be duplicated with a different file name. 121 chevrolet malibu workshop, owners, service and repair manuals. Radio battery constant 12v+ wire: I also have been putting air in my tire. We have 121 chevrolet malibu manuals covering a these malibu manuals have been provided by our users, so we can't guarantee completeness. The dealer said it was just bulbs.they replaced 2 even tho the bulbs i have a 2004 chevy malibu and i would like to replace the flasher. I took my 2003 malibu in for multiple service problem one of which was the turn signal. A wiring plug diagram for 2003 chevy cavalier spark plug wires is located in the service manual. The ignition control module (icm) is part of the coil pack assembly. Savesave chevy malibu power window wiring diagram for later. Chevrolet malibu v8 ignition system wiring diagram 349 kb. 1955 chevrolet car wiring diagrams 3 mb. Let me know step by step how to change the water pump in a chevy malibu 2003, if is possible also the place, showing me a diagram.
121 chevrolet malibu workshop, owners, service and repair manuals. Automotive wiring in a 2003 chevrolet malibu vehicles are becoming increasing more difficult to identify due to the installation of more advanced factory oem electronics. Long rectangular speedometer with full indicator lights. I keep getting the psi light, mind you i have changed tires twice and still get it. One of the most time consuming tasks with installing an after market car stereo, car radio, satellite radio, xm radio.
2003 Chevy Malibu Abs Wiring Diagram Wiring Diagram Link Suspension B Link Suspension B Casatecla It from i.pinimg.com I keep getting the psi light, mind you i have changed tires twice and still get it. One of the most time consuming tasks with installing an after market car stereo, car radio, satellite radio, xm radio. Chevy malibu forum is the best place for owners of the sedan to connect with the community and discuss mpg, mods, and more. These diagrams are easier to read once they are printed. Fuse box diagram (location and assignment of electrical fuses and relays) for chevrolet (chevy) malibu (1997, 1998, 1999, 2000, 2001, 2002, 2003). Long rectangular speedometer with full indicator lights. Home » chevrolet manuals » 2004 chevrolet malibu » manual viewer. 1955 chevrolet directional signals, neutral safety and backup switches 268 kb.
These diagrams are easier to read once they are printed.
2003 chevy malibu ls fan. If u can't see the diagram go to the link, just match up the numbers on the coil to the engine cylinder numbers. I took my 2003 malibu in for multiple service problem one of which was the turn signal. The wiring diagram of a 1997 and newer chevrolet malibu power windows. I have a 2016 chevy malibu lt. You haven't stated what wiring diagram you need; I also have been putting air in my tire. Black radio illumination wire 2003 chevy impala wiring diagram | free wiring diagram collection of 2003 chevy impala wiring diagram. I keep getting the psi light, mind you i have changed tires twice and still get it. A wiring plug diagram for 2003 chevy cavalier spark plug wires is located in the service manual. Orange radio accessory switched 12v+ wire: Our 2003 chevrolet malibu repair manuals include all the information you need to repair or service your 2003 malibu, including diagnostic trouble codes chevrolet service manuals pdf, workshop manuals, repair manuals, spare parts catalog, fault codes and wiring diagrams free download! Savesave chevy malibu power window wiring diagram for later.
The above ignition system wiring diagrams apply only to the 2004 and 2005 3.5l v6 chevrolet malibu. Orange radio accessory switched 12v+ wire: If your factory radio stays on after the key is pulled you need this harness. 100%(1)100% found this document useful (1 vote). And would like to share them, please send to chevymanuals@yahoo.com.
2003 Malibu Wiring Diagram 87 300zx Wiring Harness Diagram Wiring Car Auto2 Sampai Malam Warmi Fr from wiringbay.dz-art.fr A wiring plug diagram for 2003 chevy cavalier spark plug wires is located in the service manual. You haven't stated what wiring diagram you need; 121 chevrolet malibu workshop, owners, service and repair manuals. Chevy malibu forum is the best place for owners of the sedan to connect with the community and discuss mpg, mods, and more. 1955 chevrolet car wiring diagrams 3 mb. The ignition control module (icm) is part of the coil pack assembly. We have 121 chevrolet malibu manuals covering a these malibu manuals have been provided by our users, so we can't guarantee completeness. In regards to my question a day ago about fuel pump problems, does anyone know where i can get a wiring diagram for a 2003 chevy malibu, specifically wanting to be able to identify any wires that go to or work with the fuel pump!!!
For instance , if a module is powered up and it also sends out the signal of half the voltage plus the technician does not know this, he'd think.
Do you have to disconnect the battery and/or the air bag prior to dismantling the trim on the. We have 121 chevrolet malibu manuals covering a these malibu manuals have been provided by our users, so we can't guarantee completeness. They've been well known for making great cars for chevrolet chevy blazer complete workshop service repair manual 1995 1996 1997 1998 1999 2000 2001 2002 2003 2004. This specific picture 2002 chevrolet malibu engine diagram questions with pictures for 2003 chevy malibu engine d. Home » chevrolet manuals » 2004 chevrolet malibu » manual viewer. Fuse box diagram (location and assignment of electrical fuses and relays) for chevrolet (chevy) malibu (1997, 1998, 1999, 2000, 2001, 2002, 2003). I am going back to answer you unanswered question. 1955 chevrolet directional signals, neutral safety and backup switches 268 kb. In regards to my question a day ago about fuel pump problems, does anyone know where i can get a wiring diagram for a 2003 chevy malibu, specifically wanting to be able to identify any wires that go to or work with the fuel pump!!! Chevy malibu forum is the best place for owners of the sedan to connect with the community and discuss mpg, mods, and more. Chevrolet chevy ii nova electrical wiring diagram 254 kb. We've checked the years that the manuals cover and we. The above ignition system wiring diagrams apply only to the 2004 and 2005 3.5l v6 chevrolet malibu.
Pilih Office 2013 Atau 2016 / Pilih Office 2013 Atau 2016 : Cara Bawa Balik Pengurus ... - Tool yang sangat populer saat ini salah satunya yaitu kms auto lite. . Microsoft office 2013 diluncurkan dengan bermacam kelebihan dan kecanggihan lain, seperti dapat dioperasikan dengan layar sentuh atau mobile sama halnya dengan os windows 8. New features in microsoft office 2013: Jika ini pertama kalinya anda menginstal office, anda mungkin harus melakukan beberapa langkah penyiapan terlebih dahulu. Office 2016 office 2013 office.com selengkapnya. Office 2016 office 2016 untuk mac office 2013 selengkapnya. Setelah kemunculan windows 10 yang fenomenal, microsoft juga tidak mau. Jalankan oinstall.exe dengan run as administrator. Jika mencoba menginstal office 2016 atau office 2013 pada pc yang menjalankan windows xp atau windows vista, anda akan mendapatkan pesan kesalahan. Apakah anda mendapatkan microsoft office 2016 dari hasil upgrade office 2013 yang sebelumnya anda miliki...
2004 Bmw 530I Fuse Box Location : Fuse Box Diagram For 2004 530i Wiring Diagram Schema Drain Track Drain Track Atmosphereconcept It / 2005 bmw 525i fuse box diagram thanks for visiting my internet site this post will certainly discuss regarding 2005 bmw 525i fuse box diagram. . Also lift out the black foam part that is on the bottom of the spare tire area. Here is a guide to help you test for power with the fuse identification and location in the diagrams below. Switch the fuse with a new fuse or a like fuse that you know works (check the. I looked at the fuse box and it is basically empty. Fuse box in passenger compartment bmw e39. There is only one white fuse box located under my spare tire under the foam. ️ ️ ️i need your help, check out m. You can't mix up the wires, they will only go in one way! A protected circuits 1 50 dynamic stability control (dsc) 2 60 petrol: We have accumulated lots of images, hopefully this image is useful for you, and aid you in fin...
Wimpelkette Kuchen Vorlage Zum Ausdrucken : Kuh Kuchen Vorlage Zum Ausmalen Zum Geburtstag ganzes ... - Aktuelle angebote zum thema druckvorlage. . Die kuchen wimpel mit der happy birthday aufschrift können individuell mit dem namen des geburtstagskinds ergänzt. Erstes feld anklicken und torte auswählen, um zu schauen, wie das zum schluss auf das rote feld wimpelkette erstellen klicken. Wimpelkette torte vorlage zum ausdrucken teil von wimpelkette vorlage zum ausdrucken. Heute möchte ich euch meine allererste, selbstgemachte girlande zeigen. Aktuelle angebote zum thema druckvorlage. Wimpelkette kuchen vorlage zum ausdrucken. Wimpelkette torte vorlage zum ausdrucken from www.kuchenkult.de. Wimpelkette kuchen vorlage zum ausdrucken erstaunliche wimpelkette. Verwandte beiträge 32 wunderbar wimpelkette kuchen vorlage zum ausdrucken praktisch jene können adaptieren für ihre erstaunlichen ideen. Wimpelkette torte vorlage zum ausdrucken teil von wimpelkette vorlage zum ausd...
Comments
Post a Comment