2001 Jeep Wrangler Wiring Diagram / Ac Wiring Diagram 2001 Jeep Wrangler Wiring Diagram Goat Silverado Goat Silverado Disnar It / Diagrams needed are for yj wranglers only and should be posted under the yj technical information forum.
Get link
Facebook
X
Pinterest
Email
Other Apps
2001 Jeep Wrangler Wiring Diagram / Ac Wiring Diagram 2001 Jeep Wrangler Wiring Diagram Goat Silverado Goat Silverado Disnar It / Diagrams needed are for yj wranglers only and should be posted under the yj technical information forum.. Each of the diagrams are in pdf. Location of turn signal relay. 2001 jeep wrangler wiring diagram. Fuse box diagram (location and assignment of electrical fuses and relays) for jeep wrangler (tj; The 2005 jeep wrangler wiring diagram can be found in the cars maintenance manual.
Any chance you have wiring for a jku ('15 if needed specifically)? 2011 rclb silverado, it's got the power i need. 2000 jeep wrangler car radio stereo wiring diagram whether your an expert installer or a novice enthusiast with a 2000 jeep wrangler an car stereo 2000 jeep wrangler front mount hitch. This information outlines the wires location, color and polarity to help you identify the proper connection spots in the vehicle. Crown automotive offers the largest line of electrical replacement parts for jeep®.
2001 Jeep Tj Fuse Box Diagram Wiring Diagram Tags Bike Terms A Bike Terms A Discoveriran It from fuse-box.info Black red white white/orange grey/orange grey/blue. 2001 jeep wrangler sport 4.0l. Portable network image format 5.9 kb. (2) disconnect the connector from its mating. Diagrams needed are for yj wranglers only and should be posted under the yj technical information forum. Posted on 26 july 2018 by admin. Can i please have the wiring diagram for a 2001 jeep grand cherokee laredo with the standard audio system. Jeep cherokee 1990 jeep cherokee laredo 1990 jeep limited 1990 jeep wrangler 1990 jeep wrangler islander 1990 jeep wrangler laredo 1990 jeep sahara 2000 jeep wrangler se 2000 jeep wrangler sport 2000 jeep cherokee classic 2001 jeep.
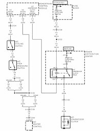
Fuse box diagram (location and assignment of electrical fuses and relays) for jeep wrangler (tj;
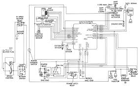
2001 jeep wrangler wiring diagram. 2001 jeep wrangler stereo wiring information. 158 jeep wrangler workshop, owners, service and repair manuals. Chassis electrical system wiring diagrams. Can i please have the wiring diagram for a 2001 jeep grand cherokee laredo with the standard audio system. Fuse box diagram (location and assignment of electrical fuses and relays) for jeep wrangler (tj; Here are some jeep jl wrangler wiring diagrams, hope this helps out the community. Here, kc hilites shows you step by step how to install and wire lights or other accessories into your jeep wrangler jl or gladiator jt aux switches. I have access to wiring diagrams and repair info. Every jeep stereo wiring diagram contains information from other jeep owners. Jeep wrangler tj 2001 system wiring diagrams.pdf. 2011 rclb silverado, it's got the power i need. Table of contents 2001 tj.
Online manual jeep > jeep cherokee. 2001 jeep wrangler wiring diagram. The 2005 jeep wrangler wiring diagram can be found in the cars maintenance manual. Please be sure to test all of. Fuse box diagram (location and assignment of electrical fuses and relays) for jeep wrangler (tj;
Jeep Tj 2 5 Engine Diagram Pulley Wiring Diagram And Skip Mass Skip Mass Rennella It from www.2carpros.com Location of turn signal relay. Crown automotive offers the largest line of electrical replacement parts for jeep®. Order your jeep wrangler tj fest 2021 hats today! The 2005 jeep wrangler wiring diagram can be found in the cars maintenance manual. Black red white white/orange grey/orange grey/blue. We've checked the years that the manuals cover and. 2001 jeep wrangler wiring diagram. To download a zip of all diagrams.
Here are some jeep jl wrangler wiring diagrams, hope this helps out the community.
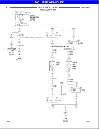
2001 jeep wrangler stereo wiring information. Can i please have the wiring diagram for a 2001 jeep grand cherokee laredo with the standard audio system. I have access to wiring diagrams and repair info. Here, kc hilites shows you step by step how to install and wire lights or other accessories into your jeep wrangler jl or gladiator jt aux switches. We have a 2001 jeep tj wrangler that we are wiring the heater speed control switch and cant figure out what. Chassis electrical system wiring diagrams. Pink/white radio switched 12v+ wire: This information outlines the wires location, color and polarity to help you identify the proper connection spots in the vehicle. Jeep cherokee 1990 jeep cherokee laredo 1990 jeep limited 1990 jeep wrangler 1990 jeep wrangler islander 1990 jeep wrangler laredo 1990 jeep sahara 2000 jeep wrangler se 2000 jeep wrangler sport 2000 jeep cherokee classic 2001 jeep. The 2005 jeep wrangler wiring diagram can be found in the cars maintenance manual. Portable network image format 5.9 kb. Black red white white/orange grey/orange grey/blue. Fuse box diagram (location and assignment of electrical fuses and relays) for jeep wrangler (tj;
2001 Jeep Wrangler Wiring Schematic Eric Guillon Marcella Hazan 41478 Enotecaombrerosse It from tse2.mm.bing.net Each of the diagrams are in pdf. Here are some jeep jl wrangler wiring diagrams, hope this helps out the community. If you wiring diagrams, send me an email at email protected and i will send you the diagrams. Rc sent from my iphone. Here, kc hilites shows you step by step how to install and wire lights or other accessories into your jeep wrangler jl or gladiator jt aux switches. Jeep cherokee 1990 jeep cherokee laredo 1990 jeep limited 1990 jeep wrangler 1990 jeep wrangler islander 1990 jeep wrangler laredo 1990 jeep sahara 2000 jeep wrangler se 2000 jeep wrangler sport 2000 jeep cherokee classic 2001 jeep. I have access to wiring diagrams and repair info. Pink/white radio switched 12v+ wire:
Here you will find fuse box diagrams of jeep.
Each jeep repair manual contains the detailed description of works and wiring diagrams. This information outlines the wires location, color and polarity to help you identify the proper connection spots in the vehicle. Fuse box diagram (location and assignment of electrical fuses and relays) for jeep wrangler (tj; Each of the diagrams are in pdf. Diagrams needed are for yj wranglers only and should be posted under the yj technical information forum. Please be sure to test all of. Order your jeep wrangler tj fest 2021 hats today! Pink/white radio switched 12v+ wire: Online manual jeep > jeep cherokee. Most jeep dealerships will give you a free 1994 jeep grand cherokee wiring diagram. Click to zoom in or use the links below to download a printable word document or a printable pdf document. Table of contents 2001 tj. Every jeep stereo wiring diagram contains information from other jeep owners.
Pilih Office 2013 Atau 2016 / Pilih Office 2013 Atau 2016 : Cara Bawa Balik Pengurus ... - Tool yang sangat populer saat ini salah satunya yaitu kms auto lite. . Microsoft office 2013 diluncurkan dengan bermacam kelebihan dan kecanggihan lain, seperti dapat dioperasikan dengan layar sentuh atau mobile sama halnya dengan os windows 8. New features in microsoft office 2013: Jika ini pertama kalinya anda menginstal office, anda mungkin harus melakukan beberapa langkah penyiapan terlebih dahulu. Office 2016 office 2013 office.com selengkapnya. Office 2016 office 2016 untuk mac office 2013 selengkapnya. Setelah kemunculan windows 10 yang fenomenal, microsoft juga tidak mau. Jalankan oinstall.exe dengan run as administrator. Jika mencoba menginstal office 2016 atau office 2013 pada pc yang menjalankan windows xp atau windows vista, anda akan mendapatkan pesan kesalahan. Apakah anda mendapatkan microsoft office 2016 dari hasil upgrade office 2013 yang sebelumnya anda miliki...
2004 Bmw 530I Fuse Box Location : Fuse Box Diagram For 2004 530i Wiring Diagram Schema Drain Track Drain Track Atmosphereconcept It / 2005 bmw 525i fuse box diagram thanks for visiting my internet site this post will certainly discuss regarding 2005 bmw 525i fuse box diagram. . Also lift out the black foam part that is on the bottom of the spare tire area. Here is a guide to help you test for power with the fuse identification and location in the diagrams below. Switch the fuse with a new fuse or a like fuse that you know works (check the. I looked at the fuse box and it is basically empty. Fuse box in passenger compartment bmw e39. There is only one white fuse box located under my spare tire under the foam. ️ ️ ️i need your help, check out m. You can't mix up the wires, they will only go in one way! A protected circuits 1 50 dynamic stability control (dsc) 2 60 petrol: We have accumulated lots of images, hopefully this image is useful for you, and aid you in fin...
Wimpelkette Kuchen Vorlage Zum Ausdrucken : Kuh Kuchen Vorlage Zum Ausmalen Zum Geburtstag ganzes ... - Aktuelle angebote zum thema druckvorlage. . Die kuchen wimpel mit der happy birthday aufschrift können individuell mit dem namen des geburtstagskinds ergänzt. Erstes feld anklicken und torte auswählen, um zu schauen, wie das zum schluss auf das rote feld wimpelkette erstellen klicken. Wimpelkette torte vorlage zum ausdrucken teil von wimpelkette vorlage zum ausdrucken. Heute möchte ich euch meine allererste, selbstgemachte girlande zeigen. Aktuelle angebote zum thema druckvorlage. Wimpelkette kuchen vorlage zum ausdrucken. Wimpelkette torte vorlage zum ausdrucken from www.kuchenkult.de. Wimpelkette kuchen vorlage zum ausdrucken erstaunliche wimpelkette. Verwandte beiträge 32 wunderbar wimpelkette kuchen vorlage zum ausdrucken praktisch jene können adaptieren für ihre erstaunlichen ideen. Wimpelkette torte vorlage zum ausdrucken teil von wimpelkette vorlage zum ausd...
Comments
Post a Comment